MACHINERY DESIGN LTD   

ул.Д-р Анастасия Железкова 35, вх.А, ет.4, ат.5,
Варна 9010, Болгария  

sales@machinerydesign.net

  • Български
  • English
  • Русский

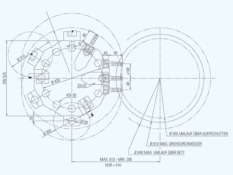
Универсальный токарный центр EMCO MaxxTurn 110

EMCO Maxxturn 110 подходит для заготовок длиной до 3500 мм и диаметром 610 мм и может выполнять токарные и фрезерные операции, включающие тяжелую обработку, а также обработку точных деталей с высочайшим качеством поверхности. Высокоточная ось C, жесткая ось Y с большой траекторией движения и высокими скоростями перемещения завершают набор мощных рабочих характеристик.

Характеристики

Перемещение по оси X, мм: 420
Перемещение по оси Y, мм: 180
Перемещение по оси Z, мм: 1560 / 2560 / 3560
Максимальная мощность шпинделя, кВт: 24 / 33
Крутящий момент шпинделя, Нм: 580 / 800
Тип держателя инструмента: Одна револьверная головка
Максимальный диаметр обрабатываемой детали, мм: 680
Максимальный диаметр проходного отверстия шпинделя, мм: 95
Контршпиндель: Отсутствует
Направляющие: Качения
Люнет: С ЧПУ
Станина: Наклонная
Система ЧПУ: Siemens
 

Производитель: 
Документы: