MACHINERY DESIGN LTD

ул.Д-р Анастасия Железкова 35, вх.А, ет.4, ат.5,
Варна 9010, България

sales@machinerydesign.net

  • Български
  • English
  • Русский

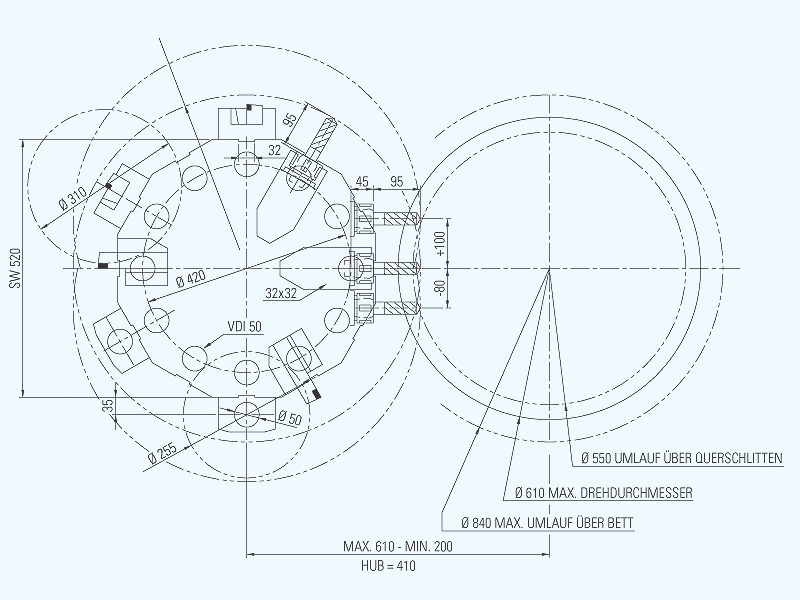
Универсален стругов център EMCO MaxxTurn 110

EMCO Maxxturn 110 подходящ за заготовки с дължина до 3500 мм и диаметър 610 мм и може да извършва стругарски и фрезови операции, включващи упорита обработка, както и обработка на прецизни детайли с най-високи качество на повърхността. Високо прецизната ос C, твърдата ос Y с голяма траектория на движение и високи скорости на движение завършват набор от мощни работни характеристики.

Характеристики

Ход по оста X, mm: 420
Ход по оста Y, mm: 180
Ход по оста Z, mm: 1560 / 2560 / 3560
Максимална мощност на шпиндела, kw: 24 / 33
Въртящ момент на шпиндела, Nm: 580 / 800
Тип на държач за инструмента: една револверна глава
Максимален диаметър на обработваната част, mm: 680
Максимален диаметър на отвора на шпиндела, mm: 95
Люнет: С ЦПУ
Легло: Наклонено

Производител: 
Документи: