MACHINERY DESIGN LTD   

ул.Д-р Анастасия Железкова 35, вх.А, ет.4, ат.5,
Варна 9010, Болгария  

sales@machinerydesign.net

  • Български
  • English
  • Русский

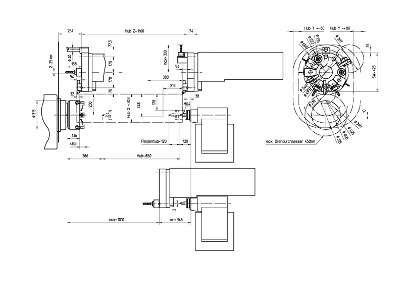
Токарно-фрезерный горизонтальный центр EMCO MaxxTurn 95

EMCO MaxxTurn 95 идеально подходит для заготовок длиной до 1300 мм и диаметром  до 500 мм, может выполнять токарные и фрезерные операции, включающие тяжелую обработку, а также точную обработку деталей с высочайшим качеством поверхности. Высокоточная ось C, жесткая ось Y с большой траекторией движения и высокими скоростными перемещениями дополняют пакет его мощных характеристик.

Характеристики

Перемещение по оси X, мм: 318
Перемещение по оси Y, мм: 140
Перемещение по оси Z, мм: 1360
Максимальная мощность шпинделя, кВт: 28 / 42
Крутящий момент шпинделя, Нм: 690 / 1040
Тип держателя инструмента: Одна револьверная головка
Максимальный диаметр обрабатываемой детали, мм: 500
Максимальный диаметр проходного отверстия шпинделя, мм: 95
Контршпиндель: Отсутствует
Направляющие: Качения
Люнет: С ЧПУ
Станина: Наклонная
Система ЧПУ: Siemens

Производитель: 
Документы: 
Иконка изображения rabochaya_zona.png (83.83 КБ)
Иконка изображения gabaritnye_razmery.png (168.45 КБ)